
- Modeli: VK-STL
- Shpejtësia e etiketimit: 40-60 tuba/min.
- Saktësia e etiketimit: ± 0,5 mm
- Diametri i etiketës (Maks.): 350 mm
- Gjerësia e etiketës (Maks.): 200 mm
- Diametri i tubit (Maks.): 65 mm
- Diametri i tubit (Min.): 19 mm
- Gjatësia e tubit (Maks.): 220 mm
- Diametri i bërthamës së etiketës: 76.2 mm
- Fuqia: 220V 50Hz 3000W
- Pesha: 300 kg
Kjo makinë etiketimi është kryesisht e përshtatshme për kozmetikë, infermierinë individuale me profesion e kështu me radhë, goja, ushqimi, tubat e paketimit të tubave të industrisë kimike ngjitet shenjë. Saktësia e lartë, besueshmëria e tepërt dhe efikasiteti e kënaqën klientin për të ngjitur kërkesën e makinës së shenjave; por epërsia jonë qëndron në dizajnin e arsyeshëm, artizanat udhëheqëse të përpunimit dhe montim të lartë të saktë, shërbim të shkëlqyer pas shitjes. Kjo pajisje thjeshtësi e operatorit, zëvendëson kallëpin dhe etiketën e përshtatshme, të lehtë për t'u pastruar dhe shërbimi i mirëmbajtjes, bën që përdoruesi që kostoja e përdorimit të jetë e ulët është tubi ngjit shenjën e pajisjes ideale.
Tubi shumë efektiv ngjit stacionin e punës së shenjës: Operacioni simplex, kontrolli i ushqimit, ngjitni shenjën, për të marrë materialin; duke përfshirë mungesën e materialeve të ekzaminimit të syrit elektrik dhe funksionit të pezullimit automatik.
Shpejtësia, saktësia, qëndrueshmëria, lehtësia dhe përdorimi dhe kështu me radhë në mënyrë fleksibël me shkallën e kombinimit të optimizuar.

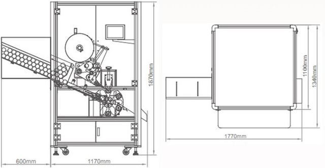
Drejtimi i etiketimit dhe vizatimi i makinës



Ngjit shenjën për zorrën për t'u dizajnuar posaçërisht, e relaksuar do të jetë shpejt transparente / e errët pastat e etiketës vetëngjitëse në tub, është e përshtatshme në shumë lloje të gjatësive të ndryshme, tubi me diametër të ndryshëm ngjit shenjën.
Funksionon është i qëndrueshëm, është i besueshëm: Garantohet që çdo tub i butë ngarkohet kur nuk është i dëmtuar, ngjit shenjën që të jetë e qetë, për të qenë të saktë.
Përdorni organizimin e cilindrave të ajrit jo-pole: Garantohet që mallrat me cilësi të lartë janë të shpejta, të rregullta, të besueshme.
Përdorni pajisjen e pozicionimit të dekolatorëve: Garantohet që tubi ngjit, lokalizimi i shenjës duhet të jetë i saktë, i besueshëm, nuk ka nevojë të ruhet.
Pajisja e hedhjes së llojit të ekzaminimit të presionit barometrik: Pas garantimit të pastave, tubi i shenjës është i besueshëm.

Etiketat e vendosura në pleshtin e ushqimit për etiketim

Procesi i etiketimit për tubat e butë
Etiketuesi automatik i tubave po përdor sistemin e kontrollit të ekranit me prekje siemens PLC.
Sistemi inteligjent i etiketimit të servo Mitsubishi
Përgjigja e makinës është e shpejtë me pozicionimin e saktë të etiketimit me shpejtësi të lartë.
Lehtë për tu përdorur dhe rregulluar.
Konstruksion inox.
Mbështetni madhësi të ndryshme të tubit me toptha të ndryshëm.
Specifikimi i makinës


| Model | VK-STL |
| Shpejtësia e etiketimit | 40-60 tuba/min. |
| Saktësia e etiketimit | ± 0,5 mm |
| Diametri i etiketës (Maks. ) | 350 mm |
| Gjerësia e etiketës (Maks. ) | 200 mm |
| Diametri i tubit (Maks. ) | 65 mm |
| Diametri i tubit (min.) | 19 mm |
| Gjatësia e tubit (Maks.) | 220 mm |
| Diametri i bërthamës së etiketës | 76.2 mm |
| Fuqia | 220V 50Hz 3000W |
| Pesha | 300 kg |


Etiketat Mostrat




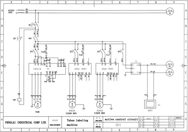
Qarku i kontrollit aktiv për makinën automatike të etiketimit
Shërbimi pas shitjes
Garancia: Për të gjithë makinën, kërkon 1 vit garanci. (Përjashtohen nga garancia problemet për shkak të aksidenteve, keqpërdorimit, keqpërdorimit, dëmtimit të ruajtjes, neglizhencës ose modifikimit të pajisjes ose përbërësve të saj. Gjithashtu pjesa rezervë e thyer lehtë nuk përfshihet në garanci)
Instalimi: Pasi makina të arrijë në fabrikën tuaj, nëse keni nevojë, tekniku ynë do të shkojë në vendin tuaj për të instaluar dhe testuar makinën dhe gjithashtu do të trajnojë punëtorin tuaj për të përdorur makinën (koha e trenit varet nga ju punonjës). Shpenzimet (bileta ajrore, ushqimi, hoteli, tarifa e udhëtimit në vendin tuaj) duhet të jenë në llogarinë tuaj dhe ju duhet të paguheni për teknikun 150 dollarë në ditë. Gjithashtu ju mund të shkoni në fabrikën tonë për të bërë trajnime.
Pas shërbimit: Nëse e keni problemin në makinë, tekniku ynë do të shkojë në shtëpinë tuaj për ta rregulluar makinën sa më shpejt të jetë e mundur. Kostoja duhet të jetë në llogarinë tuaj (si më sipër).









