
- Makinë larëse për shishe qelqi VK-BR
- Makinë mbushëse vaji VK-PF me 4 koka
- Makinë mbuluese me vakum VK-VC
- Makinë etiketimi të shisheve të rrumbullakëta VK-RPL
Linja e mbushjes plotësisht automatike mund të personalizohet sipas kërkesave të klientit dhe mostrave të ofruara nga blerësi. Si më poshtë renditen informacionet bazë për këtë linjë mbushjeje plotësisht automatike për industrinë ushqimore:
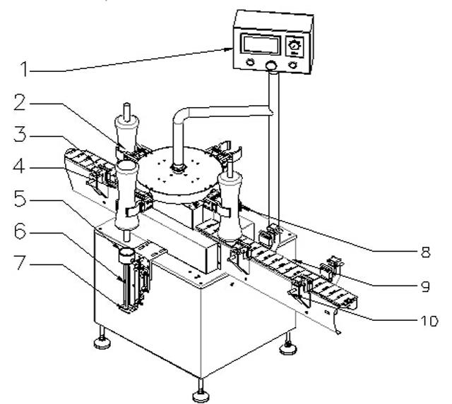
Shishe qelqi Pajisje larëse me vakum me ajër të machien
Është një makinë larëse automatike e shisheve me ajër. kapaciteti varet nga grykat e larjes së ajrit.
Kompresori i ajrit transporton ajrin brenda kontejnerit të vakumit, gazi përmes valvulës solenoid dhe gjeneratori i joneve është pastruar, shampoja e gazit trakeal fryn gazin në shishe përmes grykës së larjes me gaz, fryn të huaj nga gryka e larjes së gazit nga presioni i gazit, gazrat e mbeturinave të shteruara nga trakeja e pasme në pjesën e jashtme nëpërmjet kontrollit të emetimeve.

| 1 | Paneli i kontrollit | 2 | Shishe |
| 3 | Rrip për ushqimin e shisheve | 4 | Sensori për ushqyerjen me shishe |
| 5 | Struktura e fiksimit të shisheve | 6 | Injet shpëlarëse |
| 7 | Tuyere elektrostatike | 8 | Pika e fiksimit të shisheve |
| 9 | Rrip për daljen e shisheve | 10 | Shirit udhëzues |
Parametri bazë i makinës larëse ajrore rrotulluese automatike për shishe qelqi:

Modeli: VK-BR
Përshtatja për shishe: 20-1000 ml
Kapaciteti i prodhimit: 8 grykë pastrimi: 3600~4800 bph
Gama e presionit të ajrit: 6~8 kg/cm2
Konsumi i ajrit: 25m3/h
Furnizimi me energji elektrike: 220V 50/60Hz
Konsumi i energjisë: 0.75 Kw
Zhurma e një makine: ≤70dB
Ajri i pastruar: 0.2μm
Koha e pastrimit: 3~5s
Pesha neto: 350 kg
Dimensioni i përgjithshëm: 1200 x 800 x 1600 mm
Makina mbushëse me vaj mbushës linear me 4 koka

Makina mbushëse e ullirit me 4 koka, e kontrolluar nga mikrokompjuteri, kombinon fotoelektricitetin me funksionimin pneumatik, kështu që aplikohet gjerësisht për mbushjen e lëngshme të kimikateve bujqësore, solucioneve, detergjentit të lëngshëm, kozmetikës si dhe ullirit.
Vëllimi i mbushjes është i saktë, pa shkumë dhe i qëndrueshëm. Makina mund të mbushë lëngun me diapazon 25-1000ml, ndërkohë që nuk ka kërkesa të veçanta për format e shisheve. Kjo do të thotë, mund të mbushë lëngun për shishet normale, si dhe shishet në formë irrugula.

Modeli: VK-PF
Gama e mbushjes: 50-3000 ml
Shpejtësia e mbushjes: <20-30b/m (për 500-1000 ml lëng)
Saktësia: ±1%
Fuqia e energjisë/furnizimit: 0.8 kw, 220v
Presioni i punës: 5-6 kg/cm3
Konsumi i ajrit: 0,5-0,7mpa
VP: 500 kg
Dimensioni i jashtëm: 2000×800×1900 mm
Shënoni: Grykat e mbushjes mund të projektohen dhe prodhohen sipas kërkesave të klientëve për gamën e mbushjes dhe shpejtësinë e mbushjes
Pajisje lineare për mbulimin e vakumit Vk-Vc për kavanoza:
Kjo makinë mbuluese lineare është hulumtuar dhe zhvilluar nga kompania jonë me shumë vite përvojë, është unike në vend. Rregullim i integruar automatik i kapakut me mbulesë, mbulim me vakum.
Miratuar pompë vakum manual për të arritur vakum të lartë. Me funksionet e pa shishe pa mbulesë, alarmuese kur nuk ka tapa në dispozicion. Gëzoi automatizimin e lartë. Pjesët kryesore pneumatike dhe elektrike janë të markave të famshme botërore.
Me performancë të qëndrueshme dhe të besueshme. Përdoret gjerësisht për mbulimin me vakum të kavanozëve të qelqit me kapak hekuri në industritë e ushqimeve të konservuara, pijeve, erëzave, produkteve të kujdesit shëndetësor etj.

Fuqia: ≤2.3 KW (përfshirë pompën e vakumit)
Kapaciteti i prodhimit: 50-60 BPM
Diametri i kapakut: 30-55 mm 50-85 mm
Lartësia e shisheve: 80-250 mm
Diametri i shishes: 30-85 mm
Vakum maksimal: -0.08mpa
Përdredhje kapëse: 5-20 N.M
Konsumi i ajrit: 0.6M3/0.7Mpa
Dimensionet e makinës: Rreth 3000×1000×1900mm
Pesha: rreth 850 kg
Makinë etiketimi të kavanozëve të shisheve të rrumbullakëta Vk-Rpl

Aplikimi: Kërkoni sipërfaqe rrethore të etiketës ose produktit të bashkangjitur me membranë.
Industria: Përdoret gjerësisht në ushqim, mjekësi, kozmetikë, kozmetikë, elektronikë, metal, plastikë dhe industri të tjera.
Aplikimi: Etiketimi i shisheve të rrumbullakëta PET, etiketimi i shisheve plastike, ushqimi i konservuar dhe kështu me radhë.

Gjatësia e përshtatshme e etiketës (mm): 20mm ~ 314mm
Gjerësia e aplikueshme e etiketës (gjerësia e letrës mbështetëse / mm): 15 mm ~ 150 mm
Diametri i produkteve të aplikueshme (për shishe të rrumbullakëta) dhe lartësia: diametri: φ25mm ~ φ100mm
Lartësia: 25mm ~ 230mm
Diametri standard i aplikueshëm i rrotullës (mm): φ280mm
Diametri standard i aplikueshëm i rrotullës (mm): φ76mm
Saktësia e etiketimit (mm): ± 1mm
Shpejtësia standarde (m / min): Servo: 5 ~ 25m/min Hapi: 5 ~ 19m/min
Shpejtësia e etiketimit (pc/min): Hapi: 30 ~ 80 copë/min (me shishen dhe madhësinë e etiketës)
Servo: 40 ~ 120 copë/min
Shpejtësia e transportuesit (m / min): 5 ~ 25 m/min
Pesha (kg): Rreth 185 kg
Frekuenca (HZ): 50HZ Tensioni (V): 220V
Fuqia (W): 530 W (shkallë tërheqëse) 980 W (servo tërheqëse)
Dimensionet e pajisjes (mm) (L × P × H): 1950 mm × 1100 mm × 1300 mm


Paketimi i kasës prej druri:

Shërbimi Pas Shitjes për Linjën e Mbushjes

Ne garantojmë cilësinë e pjesëve kryesore brenda 12 muajve. Nëse pjesët kryesore dështojnë pa faktorë artificialë brenda një viti, ne do t'i ofrojmë ato lirisht ose do t'i mirëmbajmë për ju. Pas një viti, nëse keni nevojë të ndryshoni pjesë, ne do t'ju ofrojmë me mirësi çmimin më të mirë ose do ta mbajmë atë në faqen tuaj. Kurdoherë që keni pyetje teknike në përdorimin e tij, ne do të bëjmë lirisht më të mirën për t'ju mbështetur.
Garancia e cilësisë:
Prodhuesi garanton që mallrat janë bërë nga materialet më të mira të Prodhuesit, me punime të klasit të parë, krejt të reja, të papërdorura dhe të korrespondojnë në të gjitha aspektet me cilësinë, specifikimet dhe performancën siç përcaktohet në këtë kontratë. Periudha e garancisë së cilësisë është brenda 12 muajve nga data B/L.
Prodhuesi do të riparonte makineritë e kontraktuara pa pagesë gjatë periudhës së garancisë së cilësisë.
Nëse prishja mund të jetë për shkak të përdorimit jo të duhur ose arsye të tjera nga Blerësi, prodhuesi do të mbledhë koston e pjesëve të riparimit.
Instalimi dhe korrigjimi:
Shitësi do të dërgonte inxhinierët e tij për të udhëzuar instalimin dhe korrigjimin e gabimeve. Kostoja do të mbulohej nga blerësi (biletat e fluturimit vajtje-ardhje, tarifat e akomodimit në vendin e blerësit). Blerësi duhet të ofrojë ndihmën e faqes së tij për instalimin dhe korrigjimin e gabimeve.









