
- Shpejtësia e kapjes: 15-30 copë/min
- Tensioni i vlerësuar: 110V/60Hz (Standardi amerikan)
- Fuqia e makinës: 0.8 KW
- Amper: 2.2A
- Dimensioni i jashtëm: 2230*1460*1600 MM(L*W*H)
- Presioni i ajrit: 0.7 MPa
- Pesha: rreth 300 kg
Njoftimi përpara fillimit të makinës për mbylljen e shisheve
1: Përpara se makina të futet në prizë, sigurohuni që çelësi i rrymës të jetë në gjendje të mbyllur dhe më pas ndiqni udhëzimet.
2: Nëse makina nuk funksionon për një kohë të gjatë, ajo duhet të fshihet me një copë leckë të thatë dhe nuk duhet të pastrohet me asnjë agjent pastrimi gërryes.
3: Ndalohet rreptësisht derdhja e ndonjë lëngu në kutinë elektrike të makinës, në mënyrë që të shmanget korrozioni në komponentët e brendshëm elektrikë dhe të shkaktohet qark i shkurtër.
4: Kontrolloni sipas modeleve të listës së paketimit të pajisjeve, specifikimeve dhe sasisë së pajisjeve dhe materialeve për t'u siguruar që ato plotësojnë kërkesat e standardeve të projektimit dhe produktit dhe të shoqëruara me certifikata konformiteti.
5: Kontrolloni pamjen e pajisjes për t'u siguruar që ajo është e pastër nga çdo deformim, dëmtim dhe korrozion, dhe të gjitha boshtet që ato duhet të rrotullohen në mënyrë fleksibël pa asnjë bllokim.
6: Kjo makinë është duke punuar nën AC njëfazore 110V dhe spina e sheshtë e rrymës me 3 këmbë duhet të futet në prizën e energjisë me një tel tokëzimi.
Parametrat Teknikë

- Shpejtësia e kapjes: 15-30 copë/min
- Tensioni i vlerësuar: 110V/60Hz (Standardi amerikan)
- Fuqia e makinës: 0.8 KW
- Amper: 2.2A
- Dimensioni i jashtëm: 2230*1460*1600 MM(L*W*H)
- Presioni i ajrit: 0.7 MPa
- Pesha: rreth 300 kg
Makina mbuluese në detaje:



Strukturat e Makinerisë

Përshkrimi i syrit me fibër optike
Syri elektrik për të zbuluar shishet:

Kur funksionon në modalitetin automatik, qëllimi i këtij syri elektrik është të zbulojë shishet që vijnë.
Kur zbulohet shishja në hyrje, "pllaka rrotulluese" rrotullohet.
Kapak-Dorëzimi Elektrik Syri

Kur përdoret në modalitetin automatik, qëllimi i këtij syri elektrik është të zbulojë kapakët e hyrjes.
Kur kapaku i hyrjes zbulohet, "mekanizmi i nxjerrjes" ngrihet për marrjen e materialit.
Kapak-Dorëzimi Elektrik Syri

Kur përdoret në modalitetin automatik: Qëllimi i këtij syri elektrik është të zbulojë shishet që vijnë.
Kur zbulohet shishja hyrëse, "mekanizmi i kapakut të bllokimit" e rrotullon kapakun e kyçjes poshtë.
Butoni i çelësit dhe porta e instalimeve elektrike
Ekran me prekje dhe ndalim urgjent

Kontrolluesi i pllakës së dridhjeve të motorit dhe kapakut

Kontrolluesi i pllakës së dridhjeve

Kontrolluesi i pllakës së dridhjes: Duke rregulluar tensionin, rregulloni shpejtësinë e shkarkimit.
Çelësi i rrymës dhe prizat

Kontrolluesi i motorit

Transformatori i frekuencës: Duke rregulluar butonin e transformatorit të frekuencës, rregulloni shpejtësinë e motorit.
Metoda e alarmit dhe e zgjidhjes së problemeve:
1. Është shtypur ndalesa emergjente. Shtyni ndalesat e urgjencës në kapakun e makinës dhe pranë ekranit me prekje.
2. Prodhimi arrin vlerën e caktuar. Vendosni daljen, shtypni butonin e pastrimit për të pastruar daljen aktuale.
3. Kur kapakët nuk zbulohen për një periudhë të gjatë kohore, ju lutemi kontrolloni. Kontrolloni fibrën e induksionit të kapakut të shishes nëse është e siguruar mirë. Kontrolloni nëse kapakët janë vendosur apo jo.
4. Kur shishet nuk zbulohen për një periudhë të gjatë kohore, ju lutemi kontrolloni. Kontrolloni nëse shishet janë në vend.
Rregullimi elektrik i syve:
Struktura e amplifikatorit

Diagrami për fibra optike:

1. Shiriti i kyçjes me fibër optike
2. Treguesi i gjendjes së funksionimit
3. Set
4. Drita treguese DSC
5. Monitor dixhital
6. Butoni manual
7. Mbulesa mbrojtëse e zgjeruar
8. Lidhës i zgjerimit
9. Ndërprerësi i përzgjedhësit të energjisë
10. Butoni i modalitetit
11. Zgjedhësi i daljes
12. Kabllot
13. Mbrojtës nga pluhuri
14. Cakto vlerën (Në jeshile)
15. Vlera aktuale (Me të kuqe)
Procesi i punës për vendosjen e fibrave optike
- Kur syri elektrik bie në hendek, vlera e rrymës së kuqe është 144.
- Kur syri elektrik bie mbi etiketë, vlera e rrymës së kuqe është 4.
- Rregulloni vlerën e caktuar", rreth 1/2 e vlerës që syri elektrik është në letrën e trupit (në hendekun midis objekteve që do të zbulohen) dhe vlerës që syri elektrik është në letër, vlera e vendosur është (144 4)/2=74, rregulloni butonin manual për të rregulluar vlerën e caktuar në 74.
- Lëvizni hendekun e etiketës përpara dhe mbrapa në vendndodhjen e syrit elektrik dhe "dritën e sinjalit/dritën treguese" të kuqe.
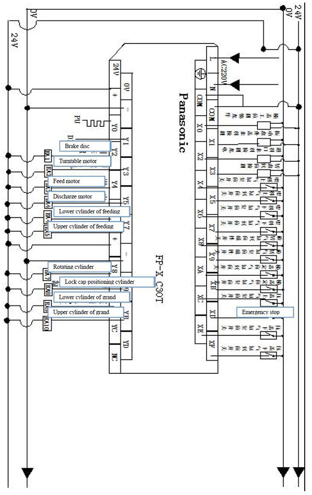
Diagrami i qarkut



Makinë për mbylljen e shisheve për mirëmbajtje

1. Është e nevojshme të kontrolloni dhe mirëmbani makinën për të zgjatur makinën dhe për të optimizuar funksionin e makinës;
- Makina e punës duhet të mirëmbahet çdo tre muaj;
- Pjesa e kushinetave dhe e transmetimit të ingranazheve duhet të lubrifikohet me yndyrë;
- Lubrifikimi duhet të bëhet periodikisht;
- Vaji i rrëshqitjes (N68) duhet të shtohet në pjesën si lëvizje me mekanizëm reciprok ose ngritje dy herë në ditë;
- Vaji i automobilit (N68) duhet të shtohet në pjesët rrotulluese ose lëkundëse;
- Çdo gjysmë muaji shtoni yndyrën në folenë e kamerës;
- Çdo muaj një herë për grykë vaji duke shtuar yndyrën;
2. Asnjëherë mos përdorni vegla metalike për të goditur ose gërvishtur sipërfaqen ku është konglomeruar lidhja në pjesë si përbërës ose myk.
3. Nëse makina ndalon së punuari për një kohë të gjatë, shtoni yndyrën për lubrifikimin në pjesët si transmisioni ose pjesa mbajtëse; Gjithashtu trajtojeni makinën me mbrojtje kundër ujit.
4. Asnjëherë mos vendosni asnjë objekt në makinë, që të mos dëmtojë makinën.
5. Pastroni pluhurin brenda komponentëve në mënyrë periodike gjithashtu kontrolloni të gjitha vidhat dhe rregulloni çdo vidë të liruar.
6. Kontrolloni vidhat në terminalet për instalime elektrike në një kohë të caktuar dhe sigurohuni që vidhosja është e fiksuar;
7. Kontrolloni nëse ka ndonjë stacion të lirshëm në shtegun e shtrirë të instalimeve elektrike nga kutitë elektrike; Nëse pjesa është shumë e lirshme, rifiksoni vidën në mënyrë që të shmangni gërryerjen ose dëmtimin në shtresën izoluese që mund të shkaktojë rrjedhje elektrike.
8. Kontrolloni goditjet që mbahen lehtësisht dhe ndërrojini ato të dëmtuara në kohë;









