
- Kokat mbuluese: 2 copë ngarje servo-moto
- Tensioni: 220 V, 50/60 HZ;
- Fuqia: 3.0 Kw
- Presioni i ajrit: 0,5–0,7Mpa
- Amper: 8.5A
- Shpejtësia: 40-45/min (përshtatur sipas formave dhe madhësive të kavanozëve)
- Diametri i përshtatshëm i produktit: kapak φ28-φ125 mm (të personalizuar jo standarde)
- Shkalla e kalimit të gjëndrës: ≥99,5% (në varësi të gabimit të kapakut dhe shishes)
- Madhësia e makinës: 3300*1150mm*1908mm
- Pesha: 450 kg
Përpara se të ndizni fuqinë e makinës. Ju lutemi lexoni me kujdes këtë manual për çështjet e sigurisë dhe përdorimin e saktë të makinës. Për të shmangur aksidentet e personelit dhe për të zvogëluar shpeshtësinë e dëmtimit të makinës.
Në rastin e produkteve gërryese, kujdesuni që të shmangni prekjen ose spërkatjen e objekteve gërryese mbi vetë makinën dhe personelin.
- Shmangni përdorimin e makinës në vende që i nënshtrohen dridhjeve ose përplasjeve.
- Kur makina është në punë, trupi i personelit nuk mund të prekë pjesët lëvizëse.
- Makina duhet të shmanget në vende shumë të lagështa. Dhe futeni atë në furnizimin me energji elektrike, teli i tokëzimit është i tokëzuar saktë, Për të shmangur një aksident sigurie.
- Operatori duhet të mbajë një gjendje normale fizike dhe mendore. Nëse merrni alkool, pilula gjumi ose barna të tjera që janë të dëmshme për gjendjen tuaj mendore, ndaloni përdorimin e makinës.
- Operatori duhet të veshë veshje të përshtatshme për të shmangur dëmtimet e shkaktuara nga përfshirja e veshjes në pjesët që rrotullohen dhe nuk duhet të vendosë sende të jashtme në makinë.
- Nëse gjatë përdorimit ndodhin zhurmë ose anomali të tjera, ndaloni menjëherë dhe kontrolloni. Teknikët jo inxhinierë, ju lutemi mos i transferoni në mënyrë arbitrare pjesët e makinës.
- Mirëmbajtje dhe kujdes i rregullt (një herë/javë), duke shmangur spërkatjen e ujit ose të ndonjë lëngu dhe kutitë elektronike të kontrollit, ose komponentët e tjerë elektrikë kur pastroni makinën.
- Ju lutemi veproni sipas procedurave normale të funksionimit dhe mbajeni sipërfaqen e makinës të pastër dhe të rregullt.
Makina e kaperit aplikohet në të gjitha llojet e kozmetikës, mjekësisë, mjekësisë veterinare, pesticideve, vajit lubrifikues dhe fushave të tjera industriale në procesin e paketimit.





Parimi dhe veçoritë e makinës për mbylljen e kavanozëve:
- Kontroll automatik elektrik, është i qëndrueshëm;
- Me pajisjen e pozicionimit mbulues, standardi i kapakut të kyçur, funksionimi është i përshtatshëm;
- Lock mbuluar një gamë të gjerë, mund të tjerr forma të ndryshme specifikimet e kapak;
- Shpejtësia e mbulimit, burgu i centrifugimit, mundet në të njëjtën kohë sipas nevojës për të rregulluar ngushtësinë e mbështjelljes.


Parametrat bazë të makinës së mbulimit të kavanozëve kozmetikë:

1. Kokat mbyllëse: 2 copë ngarje servo-moto
2. Tensioni: 220V, 50/60HZ;
3. Fuqia: 3.0Kw
4. Presioni i ajrit: 0,5--0,7Mpa
5. Amper: 8.5A
6. Shpejtësia: 40-45/min (e personalizuar sipas formave dhe madhësive të kavanozëve)
7. Diametri i përshtatshëm i produktit: kapak φ28-φ125 mm (të personalizuara jo standarde)
8. Shkalla e kalimit të gjëndrës:≥99,5% (në varësi të gabimit të kapakut dhe shishes)
9. Madhësia e makinës: 3300 * 1150 mm * 1908 mm
10. Pesha:450 kg
Përshkrimi i pjesës së hostit


Ndërprerësi i rrymës: Kontrolloni furnizimin me energji elektrike ndezur ---fik.
Treguesi i energjisë: ndezja - drita jeshile ndezur, fikja --- drita jeshile e fikur.
Ndalimi i urgjencës: Përdoret për të ndalur menjëherë makinën ose për të rivendosur funksionin gjatë urgjencës ose defektit.
1. Filloni fotoelektrik: Makina është në funksionim, kur zbulimi fotoelektrik zbulon se ka një shishe dhe ka një kapak, pllaka rrotulluese mund të fillojë të punojë. Nëse një nga dy fotoelektrikët nuk zbulohet, tavolina rrotulluese nuk rrotullohet.
2. Origjina fotoelektrike: Përdoret për të kontrolluar motorin e shkallës për të drejtuar pozicionimin e pllakës rrotulluese, në mënyrë që shishja të futet pa probleme në kapakë.
3. Fotoelektriciteti me kapak: Kontrolloni nëse mbulesa është në vend dhe zbuloni fotoelektrikisht se ka një pllakë rrotulluese mbuluese për t'u rrotulluar.
4. Fotoelektriciteti mbulues: Kontrollimi i fillimit dhe ndalimit të makinës së kapakut të sipërm, kur mbulesa e siguruar nga makina e kapakut të sipërm renditet në pozicionin e zbuluar nga fotoelektriku, energjia fotoelektrike është gjithmonë e ndritshme, makina e mbulesës ndalon për kapakun dhe mbulesa inteligjente zbatohet .
5. Fotoelektriciteti i mbulesës së bllokimit: Kur shishja me kapak kalon, zbulohet zbulimi fotoelektrik dhe mbulesa e bllokimit aktivizohet sipas kohës së caktuar të vonesës (parametrat specifikë rregullohen sipas shpejtësisë së rripit transportues kur rregullohet makina).
6. Sistemi i mbulesës së bllokimit: Shishja me kapakun është e njëjtë, vonesa e fillimit fotoelektrik, vonesa në shishen e kapëses së cilindrit, kapaku i kyçjes është ulur, mbulesa e dorezës - kapaku i vidës - lirimi i kapëses - kapaku i kyçjes ngrihet - shishja e kapëses është liruar, dhe procesi i kapakut të bllokimit ka përfunduar. Në kapakun e bllokimit, kur mbulesa e bllokimit 1# është në kapakun e bllokimit, futet një shishe tjetër. Në këtë kohë, cilindri i shishes me kapëse 2# lëviz dhe kapaku i bllokimit 2# aktivizohet për të kyçur kapakun. (Kur kapaku që është kyçur nga koka e bllokimit 2# kalon shishen me kapëse 1#, mos e përsëritni mbulesë bllokimi.

Përshkrimi i ndërfaqes njeri-makinë

Faqja e nisjes
3.1 Faqja e nisjes ka zgjedhjen e funksionimit në anglisht, kinezisht, nëse zgjidhni butonin kinez, futni ndërfaqen e mëposhtme:

Ndërfaqja e dytë
Ndalo: Çelësi i fillimit të të gjithë makinës, prek këtë çelës, makina funksionon në modalitetin automatik, prek përsëri këtë çelës, makina ndalon së punuari.
Porta e provës: Testoni funksionimin e makinës.
Shpejtësia e rrotullës: Sa më i madh të jetë parametri i shpejtësisë, aq më e shpejtë është shpejtësia, aq më i ngadalshëm është parametri i shpejtësisë. (Por ka një kufi maksimal.).
Vonesa e rrotullës: Cilësimet e kohës së nisjes së gramafonit, në përputhje me efektin e funksionimit të qetë të rrotullimit për të vendosur.
Vonesa e mbulimit: Pas pllakës rrotulluese në stacionin e caktuar, vononi kohën e pritjes, kapakun e veprimit të cilindrit.
Koha e mbulimit: Koha e nevojshme për vulosjen e cilindrit.
Prodhimi: Plotësoni rekordin e numrit të kapakut të bllokimit, numërimi i përshtatshëm i prodhimit. Shtypni tastin e rivendosjes për ta pastruar.
X1. X3. X14: Kontrolloni nëse fotoelektrik është në gjendjen e punës të reflektimit, lehtë për të parë funksionimin e gjendjes së makinës,
Parametri i mbulimit: Shtypni këtë tast dhe futni ndërfaqen e mëposhtme:

Ndërfaqja është një faqe parametri që duhet vendosur për çdo veprim të kokës së bllokimit 1 # në sistemin e mbulesës së kyçjes së servo, vendosja e arsyeshme e parametrave është e dobishme për stabilitetin e makinës dhe përmirësimin e efikasitetit.
Kthimi: Shtypni këtë buton për t'u kthyer në ndërfaqen e dytë.
I/O: Shtypni këtë buton për të hyrë në ndërfaqen e mëposhtme:

Pikat e serisë X: Është pika hyrëse për të zbuluar nëse fotoelektriku është në gjendje pune, është i lehtë për t'u parë funksionimi i makinës, mirëmbajtje e lehtë.
Pikat e serisë Y: Është pika e prodhimit të komponentëve ekzekutiv të gjendjes normale të reagimeve, gjithashtu mund të shtypni manualisht tastin e kontrollit për të provuar nëse komponentët e ekzekutimit janë normalë.
Sistemi i furnizimit me kapakë: Mund të jetë i qëndrueshëm dhe i rregullt sipas drejtimit të përshkruar për të mbuluar.
Rregullimi i pjerrësisë: Këndi i arsyeshëm mund të rregullohet për të kontrolluar që kapaku i kundërt të mos ngjitet në rrëshqitje.
Rregullimi i konvertuesit të frekuencës: kontrolloni shpejtësinë e kapakut.


Mirëmbajtja e pajisjes së mbulimit të kavanozëve:
1. Mbajeni makinën në kushtet e fikjes dhe gazit të fikur për të garantuar sigurinë. Mbajeni makinën të pastër dhe të rregullt, pa gjëra të ndryshme në makinë, pa artikuj të vegjël, aksesorë, bulona, etj.
2. Dhe vaji lubrifikues shtohet rregullisht në mekanizmin e pjesës lëvizëse për të siguruar një gjendje të mirë funksionimi të mekanizmit.
3. Lëshoni rregullisht ujin nga njësia e filtrit të ajrit dhe shtoni vaj lubrifikues për të siguruar përdorimin e duhur të cilindrit dhe për të zgjatur jetën e shërbimit.
4. Kontrolloni dhe riparoni rregullisht makinën. Gjykoni gjendjen e funksionimit të pajisjes përmes shikimit dhe veshit për t'u siguruar që makina funksionon mirë.
Shënim: Ju lutemi përdorni dhe mbani në përputhje të plotë me udhëzimet, periudha e garancisë është rreptësisht e ndaluar për të hapur dhe çmontuar, përndryshe dëmi i shkaktuar nga kjo si dëm njerëzor, nuk ka riparim falas. Ky udhëzim mund të ndryshojë pa paralajmërim; nëse ka ende ndonjë pasiguri në lidhje me funksionimin e kësaj makine, ju lutemi na telefononi në çdo kohë për pyetje
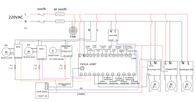
Skema elektrike e bashkangjitur:

Kapakët e përfunduar të mbyllur marrin mostra të makinës për mbylljen e kavanozëve:





Shenjat: sepse kavanozët e zinj katrorë për shkak të kapakëve janë të ndjeshëm ndaj gërvishtjeve, është projektuar me sistemin e marrjes për të nxjerrë kapakët e kavanozëve nga tabaka dhe për t'i futur në stacionin gati për mbylljen për procesin e mbylljes së tapave. Parimi i detajuar i punës ilustrohet si më poshtë: Procesi i punës:
1. Vendosja me dorë e tapave në tabaka (15*15 ose 10*10)

2. Vendosja e tabakave në stacionin e gatishmërisë
3. Robotët marrin kavanozët

4. Përfundimi i procesit të vendosjes së shisheve dhe mbylljes
5. Prodhimi i kavanozëve me kapak











